Energy & Process Engineering

I'm a recent educated civil engineer within Energy & Process engineering, including three years of Material Science engineering.

This gives me a broad understanding of the process industry, specially in regards to heat exchangers, process flow, energy production, control systems, process modelling and more.

Engineering Skillsets

Below you can find a set of various skillsets I've majored in during my studies at NTNU, Trondheim

Oh by the way... It's a pretty condensed representation of about 420 study credits (one M.Sc i 300 credits)

Dynamic Process Modeling

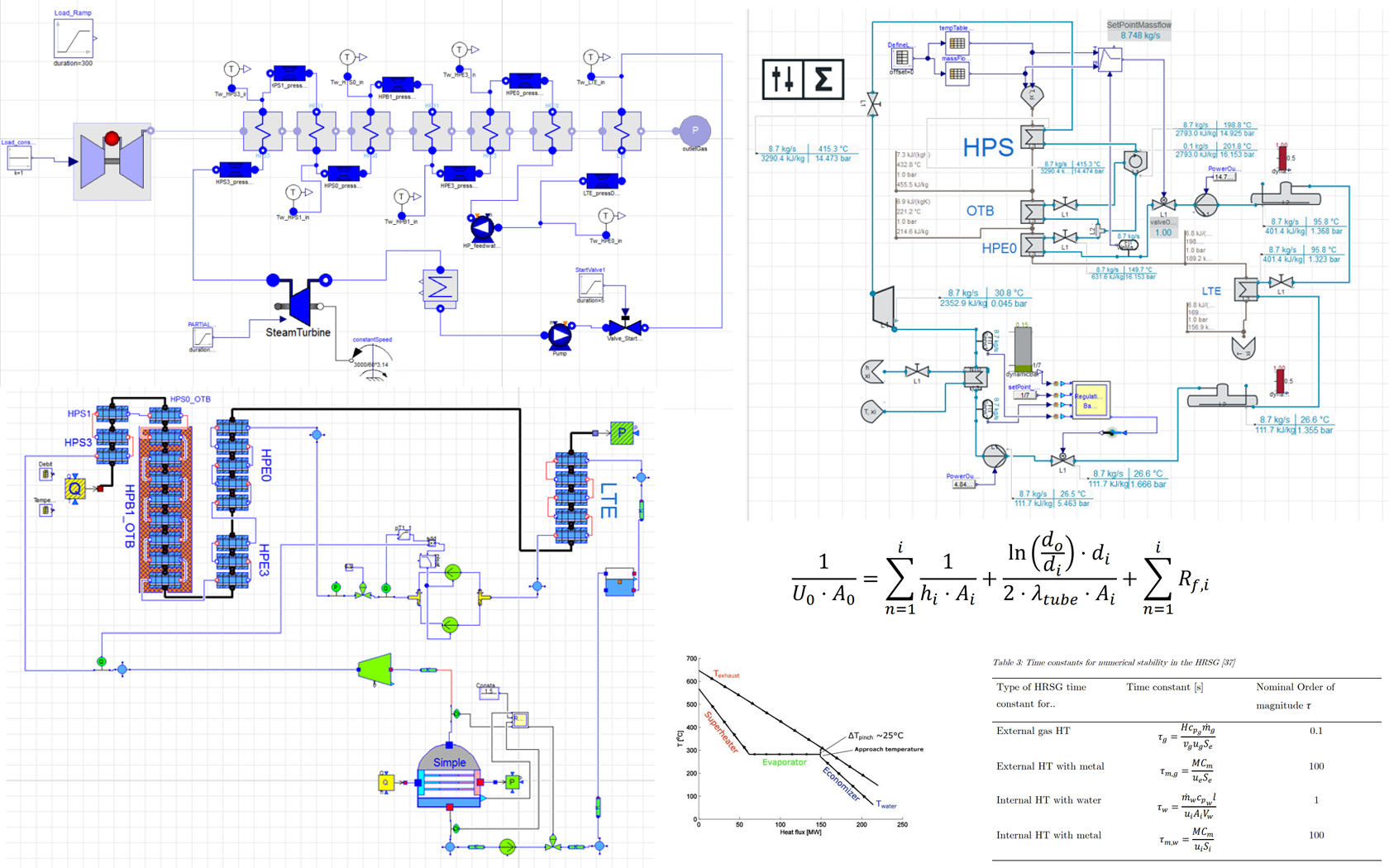
Specialized my project and master thesis on dynamic prosess modelling of an offshore CCGT (exhaust/steam HEX) cycles using Dymola/Modelica.

Electric Circuits & Analysis

Analysis and use of electric and electronic components in power, telecommunication and cybernetic systems. dynamic analysis of RLC-circuits in the time domain Laplace-transform, transformers, mutual inductance and magnetic coupling, ideal operational amplifiers, transfer functions, frequency selective circuits; passive and active filters.

Electromagnetism

Coulombs law, scalar potential, Gauss' law, dielectric media, capasitance, currents, resistance, energy. Magnetostatics: Biot-Savarts law, Ampere's law, vector potential, magnetic materials and circuits, energy and forces.  Electro dynamics: Faraday's law, inductance, transformers, displacement current. Maxwells equations. Electromagnetic waves and Lorenz potentials.  Brief introduction to mechanical wave theory.

Heat Exchangers (HEX)

Lorem ipsum dolor sit amet, consectetur adipiscing elit. Morbi dui turpis, cursus eget orci amet aliquam congue semper. Etiam eget ultrices risus nec tempor elit.

Natural Gas Technology

A general basis in boiling and condensations is given with emphasize on industrial heat exchangers is also provided. The course is thaught in close cooperation with relevant Norwegian Industry. PRO-II simulation software, Processes for removal of H2S and CO2 from natural gas, Basic thermodynamic properties and characteristics of LNG and purification, Steam production in Heat Recovery Steam Generators (HRSG), - Operational characteristic of a gas turbine; compressor map, turbine map, choking conditions for pressure determination. - Basic control of gas turbines.

Life Cycle Aanalysis

Life Cycle Analysis (LCA) is a tool for evaluating environmental impacts of products and systems. LCA is used inter alia in ecodesign, to assess different energy systems, and to set rules on recycling of products. An LCA approach to eco-efficiency uses the environmental categories and indicators developed in LCA. The course has the following elements: purpose and historical development of LCA, structure (goal & scope, accounting, environmental impact assessment, interpretation), mathematical structure of LCA, process flow chart and analysis, use of cross-sectional analysis in LCA, environmental impact assessment; methods for different types of environmental impact, weighting and interpretation. Use of LCA in energy systems and in the company's environmental accounts. The students will carry out a project assignment focusing on a given problem, and in close cooperation with Norwegian industry.

Material Science

Casting TMT4215 Applied Materials Technology TMT4190 Heterogeneous Equilibria and Phase Diagrams TMT4155 Material and Process Modelling TMT4210 Materials Technology 1 TMT4170 Materials Technology 2 TMT4175 Materials- and Surface Chemistry TMT4292 Mechanics 1 TKT4116 Nanomaterials TMT4320 Thermodynamics and Phasediagrams TMT4275 .

Project Management

Experienced within project management within Experts in Team (EiT) VR-Village-project. Administering student union groups and committees, mentoring IT-employees, guiding and leading anniversary activities and banquettes. Courses within project management (TIØ4258 - Technology Management).

Electric Machines

Design principles, applications This course is giving a introduction to design , mode of operation and use of electrical machines. The understanding of physical phenomena and corresponding mathematical modeling is in focus. The machines are analyzed in steady state operations. The course is covering transformers, DC machines, asynchroneous and synchroneous machines including permanent magnet machines. Analysis of magnetic field in machines and transformeres, induced voltages, forces etc. It is focused on the physical understading and how machines work and are designed. The characteristics of different machines is explained with emphasis on steady state conditions and with application description. After finishing the course the candidate is to know: - The electromagnetic laws used to calculate main parameters such as induced voltage, forces and other design parameters. - how the various machines works - The mathematical models and circuit models and how to determine corresponding parameters. - Design principles - Applications and how the machines are used. After finishing the course the candidate is expected to - Complete simple designs - Understand and analyze the machines in steady state operations The student will also have increased his/hers abilities to use instruments and equipment in the laboratory.

Control Systems

TTK4105 - Frequency domain based synthesis of feedback systems: Servo control, process control with rejection of disturbances. P, PI, PID controllers, other serial controllers. Cascade control. Feed-forward control. Basics of discrete (digital) control of continuous systems and digital filters.

Common Engineering Courses

Engineering Mathematics (Calculus 1,2,3 and 4) and Statistics. Engineering Chemistry, Physics, Exphil, Quantum Mechanics

Silicon Production and Refining

I've had three research assistant positions within and one process operator summer job regarding metallurgic-grade silicon production and refining.

Silicon Production and Refining

I've had three research assistant positions within and one process operator summer job regarding metallurgic-grade silicon production and refining.

Web developer

I'm experienced with the full process of operating, developing and designing website-solutions, underlying services and servers. You might call me a full-stack web developer, but it should not be emphasized this is constrained to the web-domain, and not general full-stack development.

Web dev projects

Web Skillsets

Below you can find a set of various skillsets aquired along my studies

Wordpress

Designing and developing Wordpress websites. See more at https://guelweb.no .

CSS, SVG and JS

Customizing and developing custom solutions within JS/CSS for maximu.

Offshore CCGT

Lorem ipsum dolor sit amet, consectetur adipiscing elit. Morbi dui turpis, cursus eget orci amet aliquam congue semper. Etiam eget ultrices risus nec tempor elit.

Natural Gas Technology

Lorem ipsum dolor sit amet, consectetur adipiscing elit. Morbi dui turpis, cursus eget orci amet aliquam congue semper. Etiam eget ultrices risus nec tempor elit.

LCA

Lorem ipsum dolor sit amet, consectetur adipiscing elit. Morbi dui turpis, cursus eget orci amet aliquam congue semper. Etiam eget ultrices risus nec tempor elit.

Tempus

Lorem ipsum dolor sit amet, consectetur adipiscing elit. Morbi dui turpis, cursus eget orci amet aliquam congue semper. Etiam eget ultrices risus nec tempor elit.

Aliquam

Lorem ipsum dolor sit amet, consectetur adipiscing elit. Morbi dui turpis, cursus eget orci amet aliquam congue semper. Etiam eget ultrices risus nec tempor elit.

Elit

Lorem ipsum dolor sit amet, consectetur adipiscing elit. Morbi dui turpis, cursus eget orci amet aliquam congue semper. Etiam eget ultrices risus nec tempor elit.

Morbi

Lorem ipsum dolor sit amet, consectetur adipiscing elit. Morbi dui turpis, cursus eget orci amet aliquam congue semper. Etiam eget ultrices risus nec tempor elit.

Turpis

Lorem ipsum dolor sit amet, consectetur adipiscing elit. Morbi dui turpis, cursus eget orci amet aliquam congue semper. Etiam eget ultrices risus nec tempor elit.

<

Get in touch